Bonsoir les KOPains !
Un immense merci à toutes et à tous pour votre confiance et votre fidélité
En ce 26 janvier, nous sommes déjà 160 adhérents à F6KOP , c’est tout simplement formidable !
Bravo et MERCI à vous tous !

Jan 26
Bonsoir les KOPains !
Un immense merci à toutes et à tous pour votre confiance et votre fidélité
En ce 26 janvier, nous sommes déjà 160 adhérents à F6KOP , c’est tout simplement formidable !
Bravo et MERCI à vous tous !

Jan 26
Salut les KOPains
La Coupe du REF CW est maintenant derrière nous, les manipulateurs peuvent souffler… mais déjà, une nouvelle aventure se profile à l’horizon !
Il est temps de penser à la Coupe du REF SSB, que nous ferons en Multi-Multi, les 21 et 22 février 2026.
Comme toujours, l’objectif est simple, se retrouver, trafiquer ensemble, progresser et faire du bon travail, peut être gagner hi mais toujours dans une ambiance conviviale et motivante.
Que vous soyez opérateur chevronné ou que vous ayez simplement l’envie de participer et d’apprendre, vous êtes tous les bienvenus. Venez avec votre motivation et votre envie de bien faire
Pensez à apporter, votre casque micro et surtout votre bonne humeur
Ce contest est avant tout un moment de partage, d’échanges et de plaisir autour de notre passion commune.
Qui sera présent pour ce sympathique contest ?
Me contacter avec vos horaires de présence durant le week-end f4ajq@wanadoo.fr
Merci de vous manifester, cela nous permettra de préparer au mieux ce beau week-end radio !
Au plaisir de vous retrouver nombreux derrière les micros…..

Jan 26
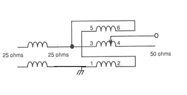
F6KOP 40m beam balun design par CH-O-KIT (F8AFC)
Cahier des charge
– Rapport de transformation : ½ (50 Ohms = 25 Ohms)
– Doit tenir > 3KW (SSB)
– Monobande 40m
– Rejection de mode commun maximum
1- Design du balun
a. Benchmark
W2FMI a conçu ce design sur un tore unique, qui a été repris par les vendeurs commerciaux
– BalunDesign (3KW): https://www.balundesigns.com/1-2-balun-25-to-50-ohms-3kw-1213/
o 2 tores FT240 “low permeability” (mix 61 ?)
o 25 Ohms coaxial
– ZenithAntenna (1KW) : https://www.zenithantennes.fr/produit/balun-12-1kw-connect-nv/ (1KW, 1 tore FT240, mix 43 ?, coax RG174 de 3mm de diamètre)
– AntennaeDepot (3KW) : https://ant-depot.com/component/virtuemart/details/598/64/baluns/balun-unit-bu-123.html
o 1 tore FT240 (mix 51?)
o Coaxial 25 Ohms
b. Design de balun
i. Le balun est constitué d’un unun assurant le passage 50 à 25 Ohms, suivi d’un balun 25 Ohms / 25 Ohms pour assurer le passage de single en différentiel

c. Tenue en puissance
Pour tenir la puissance, il faut utiliser une ferrite à faible permittivité, les tores FT240-61, avec un point de Curie > 300°c, sont idéaux pour cela.
Avec un transfo de 98% de rendement (rendement « moyen » sur bandes basses, on est plus autour des 98,5% en vrai), cela nous donnerait une tenue en puissance maximum de 4,4KW en SSB OK
d. Réjection du mode commun
Nous n’avons donc qu’un demi périmètre de tore FT240-61 pour à la fois passer de Unbalanced à Balanced (pour alimenter la beam) et amener une réjection suffisante du mode commun (éviter tout retour HF)
Avec des tores FT240-61, c’est mission impossible pour le 40m (Cf graph de G3TXQ), sauf à utiliser 17 tours sur 4 tores stackés

On peut donc s’interroger sur la réjection de mode commun des solutions commerciales, qui utilisent 8 tours de coax sur soit 1, soit 2 tores….
Il faut donc penser à utiliser une solution hybride avec en entrée 50Ohms, un choke RF dédié au 40m
Synoptique global :

Fabrication du Unun

Avec le balun 25:25 en sortie
(2 coaxiaux de 50 Ohms en parallèle)

Fabrication du choke RF optimisé 40m
– Stack de 3x FT240-52


Résultats globaux
o SWR sur charge 25 Ohms

On peut utiliser des capacités de compensation (des inductances parasites) en entrée du transfo pour optimiser le SWR (entre le choke 40m et le transfo).
Les capas sont des TDK mica en 6Kv qui tiendront largement un SWR élevé et une forte puissance

Au final, le SWR tombe a moins de 1,2 :1 OK

Cela améliore légèrement le SWR sans impacter le rendement sur 40m.
Celui passe de 1,4 :1 à moins de 1,2 :1 sur 40m OK
Le balun hybride final dans sa boite


Jan 26
Voici le résultat après correction du Log du Championnat de France Télégraphie suite a un Bug de logiciel
Nous étions 4 operateurs le Samedi et 3 operateurs le Dimanche
Bravo et Merci a F5NTZ – F5PBM – F6DZS et F6JMT pour cette participation


Jan 25
Hello les KOPains,
En ce début d’année, nous recevons plusieurs messages d’adhérents nous demandant s’ils sont bien à jour de la cotisation 2026.
Nous vous remercions pour votre vigilance et votre attachement à la vie du club.
Afin de vérifier votre situation, la démarche est simple !
Il vous suffit de vous rendre sur le site de F6KOP, rubrique KOP TEAM, puis de rechercher la page
« les membres de F6KOP »
https://www.f6kop.com/?page_id=3087
Si votre cotisation 2026 est enregistrée, l’année 2026 apparaît après votre indicatif.
En cas de doute ou d’anomalie, notre KOPain Laurent F5PBM, secrétaire du club, se tient à votre disposition.
Nous sommes déjà fin janvier, période traditionnellement propice au renouvellement des adhésions.
Nous tenons à remercier très chaleureusement les nombreuses KOPines et KOPains qui ont déjà renouvelé leur confiance à F6KOP pour cette nouvelle année.
Grâce à cette fidélité et à cet engagement collectif, le radio-club compte déjà plus de 155 adhérents en 2026, preuve d’un club dynamique et vivant.
Si vous n’avez pas encore renouvelé votre adhésion, il est bien entendu encore temps de le faire.
Nous invitons donc les KOPines et KOPains retardataires à nous rejoindre en adressant leur cotisation 2026 à notre secrétaire Laurent F5PBM.
Sans retour de votre part, nous serons malheureusement amenés à suspendre l’envoi des informations du club via la liste de diffusion à compter de fin mars.
Votre cotisation est essentielle, elle permet au club de fonctionner, d’organiser nos idées, de participer aux contests, de mener des projets techniques et humains, et surtout de faire vivre l’esprit convivial et passionné qui caractérise F6KOP.
Toute l’équipe de F6KOP compte sur vous et espère vous retrouver très prochainement pour de nouvelles aventures radio.
73 a tous et à bientôt
L’équipe de F6KOP
Modalités d’adhésion 2026 :
Moyens de paiement :

Jan 25
Bonjour les KOPains
Tard dans la nuit et tôt ce matin, la Coupe du REF CW se poursuit à F6KOP en Multi Multi, avec trois opérateurs ce dimanche toujours fidèles au poste. Les heures s’enchaînent, la fatigue se fait sentir, et la propagation, parfois moyenne, oblige à rester concentré et à adapter sans cesse la stratégie.
Au lever du jour, le beau soleil du matin vient illuminer le site et redonner un nouvel élan à toute l’équipe. Ce simple rayon de lumière suffit parfois à recharger les batteries, et à KOP, l’énergie ne vient pas seulement des ondes, la cuisine de notre KOPain José F4IEL est une nouvelle fois au rendez-vous, apportant chaleur, bonne humeur et un moral au beau fixe entre la table et la station.
Du 80 au 10 mètres, les trois KOPains sont partout, alternant les bandes, scrutant la propagation, exploitant la moindre ouverture. Chaque QSO compte, chaque indicatif est chassé avec la même détermination. Les heures passent, le log se remplit, et le plaisir de trafiquer reste intact malgré la longueur de l’épreuve.
À 14h30 locale, le constat est déjà très positif, plus de 2 000 QSO figurent dans le log, avec quelques très beaux DX venus récompenser le travail et la persévérance des opérateurs. Un résultat qui témoigne d’un engagement total et d’une excellente coordination, malgré un effectif volontairement réduit.
Mais rien n’est encore terminé. La Coupe du REF CW se joue jusqu’à la dernière minute. Nous aurons des nouvelles ce soir après 19h locale, ou demain après la correction du log, pour mesurer pleinement le chemin parcouru.
Quoi qu’il en soit, un immense bravo aux opérateurs de F6KOP, qui réalisent un très beau parcours en Multi Multi avec peu d’opérateurs, dans le pur esprit du radioclub, passion, efficacité, convivialité et engagement collectif.
Une nouvelle page qui s’ajoute à l’histoire des KOPains sur les bandes.
Jan 24
Salut les KOPains
Ce samedi, le radioclub F6KOP a pris le départ de la Coupe du REF CW, en Multi-Multi avec une équipe malheureusement réduite à quatre opérateurs. Cela demande de l’ endurance et la gestion des pauses entre les opérateurs.
La propagation, sans être exceptionnelle, est restée plus que moyenne tout au long de la journée, obligeant chacun à redoubler d’attention, à optimiser les appels et à exploiter au mieux chaque ouverture. Malgré ces conditions, l’équipe est restée concentrée et déterminée, avec une ambiance studieuse mais toujours conviviale.
En prenant le temps de faire de vraies pauses déjeuner et dîner, indispensables pour tenir la durée, nous avons tout de même réussi à réaliser de 6h TU a 18 TU , 1 350 QSO sur cette première journée. Un résultat très encourageant, obtenu grâce à l’engagement de chacun, à une bonne organisation et à l’esprit d’équipe qui caractérise F6KOP.
Pendant que le contest battait son plein, la vie du radioclub ne s’est pas arrêtée pour autant. La formation continue reste une priorité avec un passage de l’examen radioamateur prévu au mois de mars, preuve que la transmission des connaissances et l’accompagnement des futurs OM font pleinement partie de l’ADN du club.
Côté technique, la bidouille était également au rendez-vous, avec notamment du travail autour de l’amplificateur ACOM 2000, mêlant échanges d’idées, tests et retours d’expérience, dans cette ambiance de partage qui fait la richesse d’un radioclub.
La Coupe du REF reste bien sûr en ligne de mire, et cette première journée pose de solides bases pour la suite du week-end. C’est une belle entame de contest, menée par une équipe certes réduite, mais motivée, soudée et efficace, fidèle à l’esprit collectif de F6KOP.
Rendez-vous demain pour la suite du contest, avec la même énergie, la même passion et l’envie de porter haut les couleurs du radioclub.
Jan 24
Bonsoir les KOPains
Du nouveau a F6KOP, en effet vous pourrez maintenant régler votre cotisation, vos repas, vos goodies avec une carte bancaire.
Merci a tous

Jan 24
Hello les KOPains
Ce matin petit QSY a la déchetterie de Provins, tout proche du radioclub
On distingue bien nos antennes hi!

Jan 23